歪歪扭扭虫虫漫画免费阅读 - 韩漫资源聚合

你好!歡迎光臨江蘇中偉測控儀表有限公司!主營產品:智能渦街流量計插入式電磁流量計液體渦輪流量計
0517-86918678
地 址:江蘇省淮安市金湖縣工業集中區建設西路東4-4號
電 話:0517-86918678
傳 真:0517-86918679
郵 箱:zhongweick@163.com
郵政編碼:211600

雙針壓力表

7雙針******壓力表.jpg
  • 7雙針雙管壓力表.jpg
雙針壓力表主要適用于機車車輛上用來測量液壓系統或儲氣缸的確良壓力,亦可用于對銅合金錫鉛合金釬焊無腐蝕性,非結晶和凝固的種介質的壓力測量。可同時測量兩個相同或不相同(兩者之差一般應不大于標度范圍上的限值

Description:

一、產品概述: 

YZS-102系列雙針壓力表主要適用于機車車輛上用來測量液壓系統或儲氣缸的確良壓力,亦可用于對銅合金錫鉛合金釬焊無腐蝕性,非結晶和凝固的種介質的壓力測量。可同時測量兩個相同或不相同(兩者之差一般應不大于標度范圍上的限值的1/3)的壓力。 

二、工作原理: 

YZS-102系列雙針壓力表由兩套各自獨立的測量系統和指示裝置等組成。 

YZS-102系列雙針壓力表的工作原理是基于彈性元件(測量系統中的彈簧管)的彈性變形。即在被測介質的壓力作用下,迫使兩彈簧管之末端各自產生相應的位移,借助于拉桿經此輪傳動機構的傳動并予放大,由固定于此輪軸上的紅、黑指針將兩個被測值分別在刻度盤上指示出來。 

三、主要特點:

1、性能穩定,測量精度較高,反應速度較快。

2、測量的是總壓力,包括氣體和蒸汽的壓力。

3、測量的結果與氣體種類、成分及其性質無關。

4、測壓過程中,壓力表本身吸氣和放氣很小,不會對被測氣壓產生影響。

5、內部沒有高溫部件,不會使油蒸汽分解。

6、若選用耐腐蝕材料制造,可測量腐蝕性氣體壓力。

7、結構牢固,而且便于密封和安裝。

8、操作簡便,不需調整,但需要定期校驗。

四、技術參數: 

1、準確度等級:1.5; 

2、測量范圍:0~1000;1200*;1600;2500KPa(標*者為特殊規格); 

3、使用環境條件:5~60℃,相對濕度不大于80%; 

4、溫度影響:不大于0.4%/10℃(使用溫度偏離20±5℃); 

5、重量:0.7Kg。 

五、使用注意事項:

1、使用時環境溫度為-40~70℃,相對濕度不大于80%,如偏離正常使用溫度20℃時,須計入溫度附加誤差。

2、使用時須***垂直安裝,力求與測定點保持同一水平,如相差過高計入液柱所引起的附加誤差,測量氣體時可不必考慮。安裝時將表殼后部防爆口阻塞,以免影響防爆性能。

3、使用時正常使用的測量范圍:在靜壓下不超過測量上限的3/4,在波動下不應超過測量上限的2/3。在上述兩種壓力情況下大壓力表測量zui低都不應低于下限的1/3,測量真空時真空部分全部使用。

4、使用時如遇到壓力表指針失靈或內部機件松動、不能正常工作等故障時應進行檢修,或生產廠家維修。

六、規格型號:

型號

精度等級

使用環境條件

溫度影響

測量范圍(Kpa)

YZS-102

1.5

5~60℃,相對濕度不大于80%

使用溫度如偏離20±5℃時,其溫度附加誤差不大于0.4%10℃

0~1000  

0~1200
0~1600 

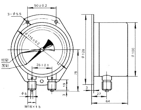
七、外形尺寸(單位:mm):

八、設計選用及訂貨須知: 

1、訂貨時請注明型號,名稱,測量范圍,接頭螺紋尺寸,精度等級。 

2、如有特殊要求,請在訂貨時詳細說明。 

售后服務承諾: 

1、我公司所售液壓力表系列產品在十二個月以內出現質量問題的,負責免費維修。 

2、質保期內如我公司產品出現任何質量問題,我公司負責免費維修或更換。 

3、質保期內如用戶使用不當,造成產品損壞,我公司負責維修,收取損壞部件成本費。 

4、質保期后產品出現質量問題,我公司負責維修,收取損壞部件成本費。 

5、如用戶需我公司現場服務,對省內用戶我公司服務人員12小時內到達現場,省外用戶48小時內到達現場。 


瀏覽:
返回頂部

分享到: